流體管道式除鐵器
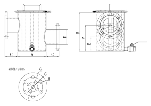
產 品 說 明 表磁最高可達12000高斯; 內部材料可以才有304或316L不銹鋼; 能承受10個大氣壓的工作壓力; 可以設計成易清洗型,減少操作工人勞動強度; 內部拋光可以達到食品、制藥衛生級別要求; 管道式漿料除鐵器產品說明及示意方式 一、適應范圍: 管道式漿料除鐵器(漿料除鐵器)主要用于清除液體及漿料中的鐵磁性雜質,廣泛適用于陶瓷、電力、礦業、塑料、化工、橡膠、制藥、食品、環保、顏料、染料、電子、冶金等行業。 二、工作原理: 管道式漿料除鐵器(漿料除鐵器)是將采用由優質無縫不銹鋼管和高B值稀土合金釹鐵硼,并采用特殊的制作方法制作而成的磁棒(磁棒),安裝在由優質無縫不銹鋼管構成的通體中,使用法蘭將其安裝在生產線輸送管道中或出料口處,當含鐵的液體或漿料通過時,受到磁力棒的吸引,將含鐵的物質牢固的吸附在管壁上,以保證設備的完好和產品的安全。
常用規格及技術參數詳見下表:(也可根據客戶現場實際情況定制)
|
磁電設備



